日期:2020-07-14
我司现就广州大学城供冷站消防系统维护保养项目进行公开竞选,有关事项公告如下:
一、 项目名称及竞选内容
(一)项目名称:广州大学城供冷站消防系统维护保养项目
(二)采购限价:人民币8.6万元。
(三)项目内容
按采购人提供的竞选文件、工程量清单和图纸等资料,承包广州大学城供冷站消防系统维护保养项目竞选过程中发布的竞选文件所包含的全部内容,具体以竞选文件及相关资料为准。
二、 合格投标人资格要求
(一) 投标人须是中华人民共和国境内注册,具有独立法人资格。
(二) 具备有效的工商营业执照、企业法人组织机构代码证书、税务登记证书(或三证合一)。
(三) 投标人已办理合法税务登记,具有开具相应增值税专用发票能力;
(四) 具备以下资质之一:
1、消防设施工程专业承包贰级或以上资质。
2、具备消防设施维护保养检测二级或以上资质。
(五) 投标人近3年内(2017年1月1日至今)完成过质量合格的类似业绩。
(六) 不接受联合体报价。
三、 竞选文件公示
本项目的竞选公告及相关信息公示时间:2020年7月14日至2020年8月3日。同时在广东省招标投标监管网(网址:http://www.gdzbtb.gov.cn/login)、广州大学城投资经营管理有限公司网站(网址:/)上发布,并视为有效送达。本公告的修改、补充,在广州大学城投资经营管理有限公司网站发布。本竞选公告及其修改、补充在各媒体发布的文本如有不同之处,以在广州大学城投资经营管理有限公司网站发布的文本为准。项目相关竞选文件等资料请自行在网站下载(如有)。
四、 获取竞选文件
获取竞选文件方式:在公示有效期内,工作日(北京时间,下同)上午9:00至12:00,下午14:00至17:00,可联系采购人获取该项目竞选文件或自行在网站下载(如有)。
五、 递交投标文件
(一)投标文件递交截止时间:2020年8月3日15时00分前。以密封的形式提供投标文件到:广州市番禺区大学城明志街1号信息枢纽楼9楼前台。投标文件信封或外包装上应当注明采购项目名称、投标人名称和“在(竞选文件中规定的开标日期)之前不得启封”的字样,封口处应加盖投标人印章。采购人接受现场递交或邮寄两种方式。采用邮寄方式的,应在邮寄外包装袋上注明“XX项目投标文件”字样。投标人递交投标文件后,请联系采购人确认。
(二)投标文件逾期递交、未送达指定地点的、或未按要求密封的,采购人有权不予受理。
六、 采购人联系方式:
(一)采购单位:广州大学城投资经营管理有限公司
(二)联系地址:广州市番禺区大学城明志街1号信息枢纽楼9楼,
联系人:廖先生,电话:020-30302079,电子邮件:[email protected]。
采购单位:广州大学城投资经营管理有限公司
2020年7月14日
广州大学城投资经营管理有限公司
广州大学城供冷站消防系统维护保养项目
竞选文件
一、 项目概况
(一)项目名称:广州大学城供冷站消防系统维护保养
(二)项目地点:广州大学城2#、3#、4#冷站
(三)采购限价:人民币86000.00元(投标报价超过采购限价为无效投标)。
(四)项目简介
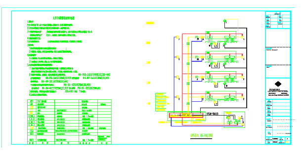
本项目为承包人负责对广州大学城供冷站(2号站、3号站、4号站)的消防系统(火灾自动报警系统、联动控制系统、消火栓系统)的所有设备、管网、路线等进行检查、测试、维护、维修、更换、急修等。
二、 投标资格要求
(一)投标人须是中华人民共和国境内注册,具有独立法人资格。
(二)具备有效的工商营业执照、企业法人组织机构代码证书、税务登记证书(或三证合一)。
(三)投标人已办理合法税务登记,具有开具相应增值税专用发票能力;
(四)具备以下资质之一:
1. 消防设施工程专业承包贰级或以上资质。
2. 具备消防设施维护保养检测二级或以上资质
(五)投标人近3年内(2017年1月1日至今)完成过质量合格的类似业绩。
(六)不接受联合体报价。
三、 项目内容及要求
(一)消火栓系统
1. 维修保养内容:
(1) 检查消防栓箱配置是否完整齐全,包括检查每个消防栓口的静压是否符合设计或规范要求,检查栓口橡胶是否老化、龟裂或脱落,检查水带是否霉烂、穿孔,检查卷盘胶管是否老化、龟裂,检查破玻按钮是否破碎,并进行必要的清洁工作。
(2) 检查测试消防栓破玻系统,试验破玻按钮,警铃是否鸣响、消防水泵是否启动、消防中心是否有报警信号及消防水泵状态显示;
(3) 检查消火栓系统的管道、水泵接合器及阀门。检查阀门是否易操作或有否渗漏滴水,对阀门定期加油润滑,对生锈、腐蚀、脱漆部位进行清理;
(4) 定期试验消防栓,检查其喷水充实水柱是否达到规范或设计要求。
(5) 检查水泵房的消防设备,测试消防水泵运行情况,检查水泵控制柜的运行状态,定期试验安全泄压阀是否灵敏、可靠,检查水锤吸纳器工作是否有效;检查水泵房各阀门是否处于正常工作状态,是否完好不渗漏,对生锈脱落部位进行清理,检查阀门是否易操作,对消防水泵和阀门定期加油润滑;
(6) 检查消防水池的储水情况,检查止回阀启闭是否灵活、有效。
(7) 定期对消防栓系统管网进行全面检查,对腐蚀严重的管道予以更换,对油漆脱落的管道及时除锈刷防锈漆和标志漆。
(8) 与维保初期提交冷站消火栓恒压供水系统的PLC控制模块程序;
2. 维修保养达到的效果
(1) 消防栓箱内配置齐全,各项配件完好,消防栓口静压符合设计或规范要求;
(2) 试验消防栓破玻按钮,消防栓水泵启动正常,各项联动设施运作良好,消防中心有报警信号和消防水泵状态显示;
(3) 各阀门处于正常的开或关状态,且有明显标志,阀体完好、不漏水;
(4) 消防栓系统水泵接口器外观完全奥,配置齐全,舞变形、无渗漏、舞缺损;
(5) 消防栓喷射时,其充水柱达到设计或规范要求;
(6) 安全泄压阀和水锤吸纳器外观完好,工作灵敏、可靠、有效;
(7) 减压阀和过滤器外观完好,减压阀工作稳定、可靠,且减压比例准确,过滤器内舞杂物,水流畅通;
(8) 阀门开关灵活、有效,无锈蚀、渗漏;
(9) 止回阀启闭灵活、有效,无水回流,外观完好;
(10)消防栓系统管网外观完好,无变形、无锈蚀、脱漆和渗漏。
(二)火灾自动报警系统
1. 维修保养内容:
(1) 检查烟、温感探测器、警铃、破玻按钮、模块的外部是否有遮挡物,设备是否松动,各探头、模块的工作状态是否正常,警铃蜂鸣是否鸣响;
(2) 检查主控控屏、充电器、打印机的工作状态是否正常,有否故障报警;
(3) 试报手报按钮报警,本层及其上、下各一层警铃是否动作鸣响,消防中心显示报警区域是否准确;
(4) 检查所有控制线、线管、线槽和各控制盘的线脱;
(5) 检查系统设备所有接线端子是否松动、破损和脱落;
(6) 定期对备用电源进行1-3次主和备用电源自动切换试验;
(7)检查工作电池组、充电器的工作状态,备用电池的连续状态;
(8)对主控屏、充电器的内部进行全面清洁;
(9)对该系统的烟、温感探头进行外观清洁;
(10)对监视模块、控制模块、反馈模块检查。
(11)根据甲方要求对现有烟、温感探测器、警铃、破玻按钮进行啊个别调整以满足现场生产需要。
(12)根据烟、温感探测器、警铃、破玻按钮、等模块的现场位置和编号以及提供的原设计图纸,进行图纸核对并在维保初期3个月内提交核对后的图纸;
2. 维修保养达到的效果:
(1) 探测器动作灵敏,报警准确;
(2) 主控屏工作正常,正常显示报警区域和输出联动信号;
(3) 手报按钮动作灵敏,报警准确,联动功能正常;
(4)主控屏和联动控制屏外观完好、清洁,各输入、输出显示功能正常;
(5)界面(模块)各项参数正常,与外围设备的通信、控制信号正常;
(6)电池组的电压及其他参数正常,供电稳定、可靠;
(7)系统设备所有接线牢固,无松动、破损活脱落;
(8)主、备电源自动切换功能正常;
(9)探测器外观完好,内部清洁,功能正常;
(10)报警主机控制程序正常,各项功能正常;
(三)消防联动控制系统
1. 维修保养内容:
(1) 检查消防水泵的联动控制及显示情况;
(2) 检测消防广播系统;
(3) 检测消防电话系统;
(4) 重点培训冷站运行操作人员对于联动控制的操作原理和操作要领;
2. 维修保养达到的效果:
(1)消防水泵的联动控制正常;
(2) 联动控制柜的内部线路的检测正常,程序正确;
(3) 消防广播系统工作正常;
(4) 消防电话系统工作正常;
四、消防系统维修保养要求
(一) 消防系统设备维修保养日常要求
投标人安排人员定期对广州大学供冷站的消防系统进行巡检,巡查周期分为例行巡检、月检查、季度测试,投标人每二周、每月安排技术人员到现场进行巡查,每季度对系统做一次全面检查测试,并做好巡检记录。节假日前后应对系统进行重点检查,及时掌握系统的运行状况,消除系统隐患。如下表:
| 项目 | 内容 | 周期 | |
| 消防供电备电 | 消防配电 | 主、备电切换功能 | 每月 |
| 自备发电机组 | 启/停发电机组 | 每月 | |
| 火灾报警系统 | 烟、温感探测器 | 报警功能、故障报警功能、火警优先功能、打印机打印功能、火灾显示屏显示功能、CRT显示器显示功能 | 每月 |
| 报警装置 | 报警功能及外观 | 每月 | |
| 手动报警按钮 | 报警功能及外观 | 每月 | |
| 火灾报警探测器 | 各类烟感和光感报警功能 | 每月 | |
| 消防栓系统 | 室内消防栓 | 出水及静压状况 | 每月 |
| 室外消防栓 | 出水及静压状况 | 每月 | |
| 启泵按钮 | 远距离启泵功能 | 每月 | |
| 应急照明 | 消防应急灯 | 断电时供电及照度状况 | 每月 |
| 消防应急广播系统 | 扩音器 | 联动启动和强制切换功能 | 每季度 |
| 扬声器及对讲话筒 | 音质和音量 | 每季度 | |
| 消防专用电话 | 通话质量 | 每季度 | |
(二)消防系统设备维修保养技术人员素质要求
1、项目负责人1人,必须提供相关工程师证书。
2、维保工作人员4人,必须是持有消防上岗证的电气给排水维修技工,要熟悉维修、保养自动报警系统和气体灭火系统,能操作、维修消防设备,维修保养人员应由有消防设施调试维修保养资格和经验的工程技术人员担任。维护人员具有消防水泵恒压控制系统的调试经验。
(三) 服务保障及相应的时间要求
1、维修保养质量标准:
(1)协助用户进行消防年审并保证消防设备符合广州市消防管理条例和规范要求;
(2)保障消防各系统处于正常工作状态(除经甲乙双方共同认可的特殊情况);
(3)中标人应按照约定对委托维修保养的建筑消防设施进行定期检查、维护和保养,确保系统正常工作。如因中标人检查、维护和保养不到位造成消防事故的发生,中标人负责赔偿因事故造成的所有损失。
(4)中标人负担单价在200元(含200元)以下设备部件和材料的更换费用,200元以下的按实提价格表或成本供货(甲方若需要乙方备货,应书面通知备货种类及数量),更换前须先经过我方书面同意后方能进行,我方有权经市场调查后进行确定。设备零件超过使用寿命或设备零件非中标人原因需要更换的,其设备费用由我方承担。对常用易损件中标人应有库存,保证在发生损坏时及时更换。每月中标人向我方提供库存清单,可修复的零件部件应先换新,在保证系统正常运行的情况下修复后再替换。
(5)消防设备不得随意拆除零部件,如需拆除,需先报我方书面批准后方可进行,如果对价值200元以内(含200元)备件予以及时更换的,必须在更换后及时知会甲方有关情况,并于次日书面反映,并提供所用零配件(或材料)的检测报告等质量证书。
(6)中标人应免费配合我方举办一年一次的消防演习等活动。
(7)中标人每半年进行消防检测一次;
(8)中标人负责免费培训我方至少4名运行人员及维护人员。
(9)中标人在日常的检查、维护和保养工作中应做好生产安全防护,如因中标人原因造成双方或第三方人身和财产的损失,中标人负责赔偿。
(10)消防值班有我方组织安排,在发生误报时由值班人员检查复位处理,值班人员无法处理时必须及时通知中标人,中标人应按照上述十项约定时间处理。
(11)接到火险通报,应立即赶到现场协助我方工作。
(12)当消防设施出现严重故障必须停用时,应会同我方向广州市番禺区公安消防局报告。
(13)维保人员交通、工作用车、维修工具、保养所需辅材如润滑油等均由中标人自备。
(14)中标人应按时做好日常的各项维保工作记录,日工作内容须甲方确定,月、年度报告(各项检测、维修和紧急报告)各同每期工作计划和换件预算报价,应及时提供给我方。
2、服务时间:
(1)中标人组织专业工程师与技术人员成立维保工程小组专项维护工作,特殊或必要情况下,工作维护小组可由公司组织力量参与工作。维保工程小组二十四小时随时待命,并设有二十四小时支持电话。
(2)中标人应依照或根据员工自愿申请安排员工加班工作。
(3)中标人对消防设施、设备出现故障应及时修复,接到我方故障报修电话一般情况4小时内到场,紧急情况必须在1小时内到场。中标人人员到场后应立即积极抢修,除重要零配件待料等原因外,应在二十四小时内解决问题。
3、配合控制项
(1)在实施保养工作中,中标人的维保人员应接受我方的业务指导和监督,同时管理处对维护人员进入各施工场所给予方便。为了保证投标人对消防系统维保工作的监督管理,我方有关人员应对中标人维保人员的工作单、检查试验等工作予以签名确认。
(2)消防设施、设备系统出现较大故障时,中标应立即组织抢修,保证在最短时间内恢复运行。当抢修条件受客观因素限制,中标人应及时通知相关部门采取应急措施,然后在我方统一协调配合下完成抢修工作。
(3)紧急呼叫:在发现消防水系统漏水,喷淋爆裂的情况下采取紧急呼叫,同时我方管理人员应采取必要的紧急措施。
(4)若确认发生火灾事故,我方应按有关规定立即报告广州市公安消防局并通知中标人进行配合,并未抢救提供必要的条件。
(5)我方有权对中标人合同履行情况进行检查,检查中发现的问题,视情节轻重提出口头或书面提出整改意见,要求中标人限期整改,如整改后仍无法达到履约标准的,我方有权要求提前终止合同要求中标人承担违约责任。
(6)建筑内因某些原因需改动、更换消防设施时,应经我方管理部门批准。我方应及时将批准意见通知中标人以便其提出合理建议和采取相应防范措施。当建筑内部进行整改及装修工程时,我方应通知中标人参与消防设施部分工程投标,在同等条件下,优先考虑有中标人进行施工。在中标人没有参与施工的情况下,施工方进入中控室施工由中标人配合。
(7)中标人人员统一工作服饰,每次进入现场工作及各项维修、保养和检查记录须送我方有关人员签字确认。
(8)季度检查原始记录必须由参加维修保养的双方人员签字,季度检查结果和处理意见有双方代表签字后个执一份。
(9)维修保养期为一年,期满前的最后一个月第一周对所有保养的设备进行一次全面维修、保养及检测,做出设备检测报告,提供全年消防系统运行报告,并经我方作全面考评并签字确认。
4、更换零备件的供应
(1)维修保养中发现需要更换的零配件,应先由中标人书面报告甲方,由我方决定自行采购或委托中标人购买,中标人负责进行更换。
(2)定期检查时确认需要重新灌装的灭火剂,费用我方负责,中标人协助进行拆装。
(3)因中标人维修保养过错造成零配件损坏或因其操作失误释放灭火剂,其补充、更换的费用由中标人负责。
(4)更换探测器、模块、风机、阀门等零件配件人工费由中标人负责,但维修水泵、大面积髹漆的人工费由我方承担。
(5)系统确需要更换设备材料而未获得我方批准的情况下,由于某种原因导致中标人不能进入现场检修而影响系统运行,因此而投诉不属于中标人责任。
(6)保养维修零配件费单项在200元内(含200元),由中标人负责,200元以上的零配件费用由我方负责。
5、考核及实施办法
(1)我方物业管理处每天应作好消费设备运行检查记录,如发现异常情况应及时通知中标人。中标人应作好维修处理记录,每月将汇总表交我方。
(2)中标人应按保养细则作好维修保养记录,每月向我方提供书面报告。每季由中标人质量部门检测消防设备安全参数,并向我方提供书面报告。
(3)每月底双方负责供冷站消防维保工作的相关人员按照本合同规定的标准和要求共同检测一次,检测结果用分数表示,满分为100分,检查结果记录再汇总表。
(4)一般故障应在二哥工作日内完成,否则记有效投诉一次。
(5) 如因故障影响消防设备正常运行达到一个工作日或以上记有效投诉一次。
(6) 中标人如不按合同进行维修保养的,经我方确认的记有效投诉一次。
(7) 如维修人员接到报修通知不能按合同规定时间到现场处理,记有效投诉一次。
(8) 如因消防设备维护、监控不到位而发生人身事故扣除中标人自当月起在该供冷站相应的维修保养费,并按规定追究责任。
(9) 如确有特殊原因不能再三个工作日内将消防设备恢复正常运行,应向我方作出书面报告,否则将记有效投诉一次。
(10)每有效投诉一次扣三分,每月统计汇总后按得分的比例结算维修费用。
(11)如乙方工作未符合合同约定,经甲方书面通知后五天内仍未符合合同约定的,则甲方有权随时终止合同,且无需承担任何责任,同时,乙方按合同总价的5%支付违约金。
(12)乙方在未获得甲方同意而无故停止工作的,乙方应按照合同总价的10%向甲方支付违约金,甲方并有权单方终止合同而无需承担任何责任。
(13)如乙方在合同期内因事故或其它合理原因而无法继续履行对项目的维护工作时,应及时以书面形式告知甲方,并协商后续处理方法,因此而造成的损失,由甲、乙双方协商处理。
6、安全工作
(1)中标人工作人员进场前必须通过安全培训,工作时严格按操作规程作业并注意自身安全。中标人工作人员人身安全及人身保险由中标人自理。
(2)中标人必须严格管理所属人员,教育所属人员严格遵守国家有关安全作业制度和规定,按照安全规程操作作业;中标人作业人员作业时应使用合格的安全防护器具,在实施现场应设置安全警示标识;从业人员必须持有有效上岗证(包括特殊作业人员操作上岗证);属高空作业的,中标人应为作业者负责购买高空作业保险单据复印报甲方备案。
(3)中标人应对直接员工的安全负责中标人工作人员在工作中发生安全事故或作出违法、违章行为,其后果由中标人自行负责,我方不承当任何责任和费用;中标人在履行合同过程中,给我方或第三方造成人身或财产损失的,有中标人承担全部的赔偿责任
(4)中标人应按安全工作有关规定,采取严格、科学的安全防护措施,确保中标人保养人员及他人的人身安全,承担由于自身安全措施不力造成的事故的责任和发生的费用。
(5) 若发生重大伤亡事故,中标人应按有关规定立即报告当地消防局并通知我方代表,我方须为抢救提供必要的条件,发生费用由责任方承担。
(6)中标人在动力设备、易燃易爆场所和贵重设备等易发生危险的场合进行维修保养时,应事先向我方代表报告应采取的安全保护措施应事先向我方代表提示采取的安全保护措施。我方应派员在现场监督和协助中标人进行有关工作。不论我方是否采取上述配合措施,中标人均应在满足安全的条件下进行工作。
(7)针对现场可能发生的应急情况,制定的相关应急预案,主要预案应包括:触电事故应急处理预案、火灾事故应急处理预案、外伤急救措施等。
五、 项目服务期限、验收标准及质保期限
1、本项目服务期限为一年。
2、项目验收的参考标准:合同要求及国家和行业相关的质量验收标准。
3、项目验收的方式:季度验收,合同到期后一个月内全面验收。
4、质保期:设备、零配件更换质保期1年。
六、 费用及支付方式
1、 全年维修保养费用按季度支付
2、每季度保养季度工作完成,经我方考核认定中标人服务符合合同约定,转季的头一个月内支付上一季度维修保养费的90%。
3、合同到期,经我方考核认定中标人服务质量符合合同约定,合同终止后一个月内付清余款。
七、 投标文件
根据采购人要求的投标文件格式,进行密封报价(盖章)。投标文件应包含以下内容:
1、 技术部分(格式自定,加盖公章)
维保方案:投标人应充分了解现场条件,并针对本项目制定切实可行的维保方案,包括但不限于:
(1)总体实施方案;
(2) 人员配备及管理机构设置;
(3) 应急处理方案、故障处理措施;
(4) 服务内容及标准、质量保证措施、档案资料管理;
(5) 配件检修和更换措施;
(6) 投标人认为其它需要说明的文字。
2、商务部分(提供复印件,并加盖公章)
(1)企业营业执照副本、税务登记证、组织机构代码证(或三证合一);
(2)供应商调查表(格式见附件2)
(3)法定代表人身份证明书和法定代表人授权委托证明书(格式见附件3和附件4);
(4)本工程拟派项目负责人简历表(包括姓名、部门和职务、所学专业和毕业院校名称及毕业时间、主要资历、经验及承担过的类似项目,获得认证资质证书及复印件);
(5)投标人近3年内(2018年1月1日至今)完成过质量合格的消防设施工程施工业绩(提供施工合同及验收报告复印件)。
(6)资质证书和安全生产许可证。
(7)投标人认为有必要的其他材料复印件。
3、 价格文件(加盖公章)
(1)报价一览表(格式见附件1表一)
(2) 消防设备配件报价表(格式见附件1表二)
八、 评标方法和标准
1、评标方法
(1)采用综合评分法,满分为100分,权重分配:商务分权重15%(满分15分),技术分权重35%(满分35分),价格分权重50%(满分50分)。
(2)开标后,首先对所有投标文件进行否决性审查,通过否决性审查的为有效投标文件,否则为无效投标文件,无效投标文件不进入下一阶段评审。
(3)详细评审。
商务详细审查评分:评标委员会按照商务评审的标准,对投标文件商务部分进行详细审查,算数平均评标委员会成员的分数评出商务部分得分(保留两位有效数字)。
技术详细审查评分:评标委员会按技术评审的标准,对投标文件技术部分进行详细审查,算数平均评标委员会成员的分数评出技术部分得分(保留两位有效数字)。
价格详细审查评分:以经过价格算术复合后投标报价的最低报价值为评标参考价,当投标价等于评标参考价时得100分,投标价每高于评标参考价1%,扣1分,扣至0分为止得分精确到小数点后两位。最后乘以价格分权重(50%)得出价格部分的得分。
(4)评标委员会按照“总分=商务得分+技术得分+价格得分”的公式,计算各有效投标文件的总分,并按照总分从高到低排列出先后次序,按先后次序确定中标人。
2、评分标准
(1)资格性和有效性审查
资格性和有效性审查表
| 序号 | 评审内容 | 投标人 |
| 1 | 投标文件未按竞选文件的规定密封、盖章和签署; |
|
| 2 | 投标文件未按竞选文件规定的格式填写,内容不全或关键字迹模糊、无法辩认; |
|
| 3 | 具备有效的工商营业执照、企业法人组织机构代码证书、税务登记证书(或三证合一)(复印件盖章) |
|
| 4 | 对同一竞选项目出现两个或以上的投标报价,且没声明哪个有效; |
|
| 5 | 法定代表人证明书原件或法定代表人授权委托书原件 |
|
| 6 | 有效的安全生产许可证(复印件盖章) |
|
| 7 | 投标总报价超过最高限价或报价畸低的; |
|
| 8 | 符合竞选文件中规定的其他实质性要求; |
|
| 9 | 近3年内(2018年1月1日至今) 完成过质量合格的类似项目施工业绩(需提供合同和验收报告等相关证明材料复印件) |
|
| 10 | 具备以下资质之一: 1、消防设施工程专业承包贰级或以上资质。 2、具备消防设施维护保养检测二级或以上资质。 |
|
|
| 评审结论(通过/不通过) |
|
注:
1.投标人分栏中填写“√”表示该项符合竞选文件要求,“×”表示该项不符合竞选文件要求,“○”表示无该项内容;
2.经评标委员会审核后,出现一个“×”的结论为“不通过”,即按废标处理。
3.表中全部条件满足为“通过”,同意进入下一阶段评审。
4.如对本表中某种情形的评委意见不一致时,以评标委员会过半数成员的意见作为评标委员会对该情形的认定结论。
(2)技术评审
技术评审表
| 序号 | 评审项目 | 评审内容 | 满分 |
| 1 | 维护保养服务方案 | 针对本项目情况提出总体保养模式、重点关键问题及具体方案、配套措施。各投标人横向进行对比: | 10 |
| 2 | 人员配备及管理机构设置 | 各投标人横向进行对比: 1、项目负责人,提供项目负责人简历表包括职称及同类项目管理经验,人员在本公司任职的外部证明材料及相关资格证书;高于询价书要求且对比优得4分,对比良得3分,对比一般得2分,对比较差得1分,只满足要求的不得分。 2、投入维保工作人员的配置情况一览表;高于询价书要求且对比优得3分,对比良得2分,对比一般得1分,对比较差得0.5分,只满足要求的不得分。 3、提供管理机构设置、管理服务运作流程;对比优得3分,对比良得2分。对比一般得1分,对比较差得0.5分。 | 10 |
| 3 | 火灾突发事件应急处理方案、故障处理措施 | 各投标人横向进行对比: 1、针对项目实际情况,有先进、具体、完整、可行的实施措施,满足现场生产安全需要。(优:4-5分) | 5 |
| 4 | 保养维修质量指标及质量保证措施、档案资料管理方案 | 各投标人横向进行对比: | 5 |
| 5 | 配件检修和更换能力 | 各投标人横向进行对比:。 | 5 |
| 合计 |
| 35 | |
(3)商务评审
商务评审表
| 序号 | 评审项目 | 评审内容 | 满分 |
| 1 | 投标人的注册资本 | 按投标人注册资金金额大小由高至低进行排序,第1名,得3分;第2名,得2分;第3名,得1分;第4名及以后均为0分。有名次并列情况时,按照并列名次计分,并占用排序名额,其后排序相应延后。(投标人应提供营业执照副本复印件加盖公章) | 3 |
| 2 | 企业信誉和认证体系 | 1、通过ISO9001质量管理体系认证且在有效期的得1分; 2、工商行政部门颁发的“重合同守信用”称号得1分; 3、银行信用AA或以上等级证书得1分。 | 3 |
| 3 | 同类项目业绩 | 2017年1月1日以来(以合同生效时间为准)承接过的合同金额在6万元及以上的同类消防维护保养项目合同业绩,每提供1个合同得1分,最多得5分; | 5 |
| 4 | 专业资质 | 获得消防设施工程专业承包壹级资质的得2分,没有不得分。 | 2 |
| 5 | 消防设备配件报价合理性 | 各项配件报价合理,不高于同品牌同型号产品的市场价格,得2分;否则得0分。 | 2 |
| 合计 |
| 15 | |
(4)价格评审
| 价格评分表 | |||||||||
| 投标人名称 |
|
|
|
|
|
|
|
|
|
| 投标报价PT(元) |
|
|
|
|
|
|
|
|
|
| 计算参考数据 | 评标参考价(PC): 元 | ||||||||
| 偏差((PT-PC)/PC)(%) |
|
|
|
|
|
|
|
|
|
| 减分(A) |
|
|
|
|
|
|
|
|
|
| 得分(I=100-A) |
|
|
|
|
|
|
|
|
|
九、 递交投标文件
(一) 投标文件递交截止时间:2020年8月3日北京时间15时00分前。以密封的形式提供投标文件到:广州市番禺区大学城明志街1号信息枢纽楼前台。投标文件信封或外包装上应当注明采购项目名称、投标人名称和“在(竞选文件中规定的开标日期)之前不得启封”的字样,封口处应加盖投标人印章。采购人接受现场递交或邮寄两种方式。采用邮寄方式的,应在邮寄外包装袋上注明“XX项目投标文件”字样。投标人递交投标文件后,请联系采购人确认。
(二) 投标文件逾期递交、未送达指定地点的、或未按要求密封的,采购人有权不予受理。
十、 勘踏现场
投标人有必要勘踏现场,充分了解清楚项目现场的环境和要求,以便投标人获取那些须投标人自己负责的有关编制投标文件和签署合同所涉及现场所有的资料。一旦中标,这种考察即被认为其结果已在中标文件中得到充分反映。考察现场的费用由投标人自己承担,如因对现场不了解导致报价的失误,由投标人承担。勘踏现场时间:2020年7月22日10时,集中地点:广州市番禺区大学城明志街1号信息枢纽楼一楼西门。勘踏现场联系人生产管理部梁工,联系电话:020-39302025。投标人未在规定时间勘踏现场的,采购人不再另行组织,由投标人自行前往勘踏。
十一、 项目发布
本竞选文件在广东省招标投标监管网(网址:http://www.gdzbtb.gov.cn/)、广州大学城投资经营管理有限公司网站(网址:/)同时发布。本竞选文件在各媒体发布的文本如有不同之处,以在广州大学城投资经营管理有限公司网站发布的文本为准。
十二、 采购联系方式
采购单位:广州大学城投资经营管理有限公司
联系地址:广州市番禺区大学城明志街1号信息枢纽楼9楼
联系人: 廖工 联系电话:020-39302079
附件1:报价一览表
附件2:供应商调查表
附件3:法定代表人身份证明书
附件4:法定代表人授权委托证明书
附件5:公开竞选供应商信用评价
附件6:供应商信用指标及评价标准
附件7:图纸
广州大学城投资经营管理有限公司
2020年7月14日
附件1
报价一览表
表一
项目名称:
| 序号 | 项目名称 | 投标价(单位:人民币元) | |
| 1 | 投标总价 | 大写: 小写: | |
| 不含税总价 | 大写: 小写: | ||
| 1.1 | 2#冷站报价 |
| |
| 1.2 | 3#冷站报价 |
| |
| 1.3 | 4#冷站报价 |
| |
| 2 | 拟委派的项目 负责人 | 姓 名 |
|
| 联系方式 |
| ||
注:(1)投标总价为人民币报价。
(2)投标总价应包括投标人完成本项目(如果中标)所必须的所有成本费用和投标人应承担的一切税费,包括但不限于人工、材料(含单价200元及以内零配件)、工具、机具、交通、安全措施、利润、风险、税费(增值税专用发票)、管理费等全部费用。
(3)若用小写表示的金额和用大写表示的金额不一致,以大写表示的金额为准。
投标人名称(盖章):
日期: 年 月 日
| 冷站消防设备配件报价表 | ||||||
| 表二 项目名称: | ||||||
| 序号 | 位置 | 设备名称 | 型号 | 数量 | 单价(元) | 备注 |
| 1 | 二号冷站 | 烟感探测器 | JTY-GM-FA107 | 1 |
|
|
| 2 | 编码型手动报警按钮 (带电话插孔) | J-SAT-A-MB | 1 |
|
| |
| 3 | 消火栓按钮 | J-SPA-ZXS | 1 |
|
| |
| 4 | 输入模块 | AFN-M1219 | 1 |
|
| |
| 5 | 输入输出模块 | AFN-M1220T | 1 |
|
| |
| 6 | 消防电话分机 | AFN-FH06 | 1 |
|
| |
| 7 | 三号冷站 | 烟感探测器 | JTY-GM-FA107 | 1 |
|
|
| 8 | 编码型手动报警按钮 (带电话插孔) | J-SAT-A-MB | 1 |
|
| |
| 9 | 消火栓按钮 | J-SPA-ZXS | 1 |
|
| |
| 10 | 输入模块 | AFN-M1219 | 1 |
|
| |
| 11 | 输入输出模块 | AFN-M1220T | 1 |
|
| |
| 12 | 消防电话分机 | AFN-FH06 | 1 |
|
| |
| 13 | 火灾显示盘 | JB-SXB-FX01 | 1 |
|
| |
| 14 | 四号冷站 | 烟感探测器 | JTY-GM-FA107 | 1 |
|
|
| 15 | 编码型手动报警按钮 (带电话插孔) | J-SAT-A-MB | 1 |
|
| |
| 16 | 消火栓按钮 | J-SPA-ZXS | 1 |
|
| |
| 17 | 输入模块 | AFN-M1219 | 1 |
|
| |
| 18 | 输入输出模块 | AFN-M1220T | 1 |
|
| |
| 19 | 消防电话分机 | AFN-FH06 | 1 |
|
| |
注:设备零配件报价含16%增值税专用发票。
投标人名称(盖章):
日期: 年 月 日
附件2
| 供应商调查表 | |||||||||||
| 项目名称:广州大学城供冷站消防系统维护保养项目 | |||||||||||
| 供应商名称 |
| 法人代表 |
| ||||||||
| 详细地址 |
| 邮 编 |
| ||||||||
| 成立日期 |
| 营业执照号码 |
| 发证机构 |
| ||||||
| 固定电话号码 |
| 传真号码 |
| 注册资金 |
| ||||||
| 公司类型 |
| 机构性质 |
| ||||||||
| 项目联系人 |
| 联系电话 |
| ||||||||
| 经营范围 |
| ||||||||||
| 序号 | 资质证书(认证项目)名称 | 发证机关 | |||||||||
| 1 |
|
| |||||||||
| 2 |
|
| |||||||||
| 3 |
|
| |||||||||
|
|
|
| |||||||||
| 主要服务行业 |
| 主要客户 |
| ||||||||
| 近三年类似业绩 | |||||||||||
| 序号 | 服务单位 | 项目内容 | |||||||||
| 1 |
|
| |||||||||
| 2 |
|
| |||||||||
| 3 |
|
| |||||||||
|
|
|
|
|
|
|
|
|
|
| ||
|
报名单位(盖章): | |||||||||||
日期:2020年 月 日
附件3
法定代表人身份证明书
在我单位任职务,是我单位法定代表人,身份证号为,特此证明。
(单位盖章)
日期: 2020年 月 日
单位通信地址:
邮政编码: 单位联系电话:
附:法人代表身份证正反面或其他身份证明材料复印件
附件4
法定代表人授权委托证明书
兹授权 (委托代理人姓名)为我方委托代理人,其权限是:办理 (采购单位名称)组织的“(项目名称)”的投标和合同执行,以我方的名义处理一切与之有关的事宜。
本授权书自 年 月 日签章之日起生效,特此声明。
附:代理人性别: 年龄: 职务:
身份证号码:
(营业执照等)注册号码:
企业类型:
经营范围:
附:被授权人有效身份证正反面或其他身份证明材料复印
(单位盖章):
法定代表人(签字或盖章):
被授权人(签字或盖章):
日期: 20 年 月 日
说明:法定代表人亲自办理投标事宜的,无需提交本证明书。
附件5
网上公开询价供应商信用评价
1.信用评价,是指采购人对参加网上询价采购的供应商的诚信度和履约进行鉴别和打分。
2.供应商信用评价内容
供应商信用综合评价根据《供应商信用指标和评价标准》(附件8)进行评价。信用综合评价内容为评价年度周期内供应商的信用表现,包括良好行为和不良行为两个方面。
3. 评价结果应用
3.1网上询价采购项目可在各评标办法中应用供应商信用评价评标。
3.2采用经评审的最低价中标法评标的,在推荐中标候选人时,应对通过资格和有效性评审的投标人按照评标价进行排序,即:评标价=有效报价×(1-信用系数),信用系数计取方法见附件1,供应商第一次参与投标的,信用系数按0计算。当出现二个或二个以上投标人的评标价的取值相同时,由评委会随机抽取确定。
3.3综合评分法
3.3.1、采用综合评分法评标的,采购项目的评标总分为100分,投标供应商得分由商务评分、技术评分、价格评分组成,其中价格评分中的评标价引用信用系数计算确定,即:评标价=有效报价×(1-信用系数),联合体参与投标的,按联合体企业中最低供应商信用系数认定。
3.3.2、当出现二个或二个以上投标人的总得分相同时,由评委会随机抽取确定。
4. 违约处理
4.1 排序第1位的供应商出现以下情形之一的,将暂停其网上询价资格1个月:
4.1.1、实际提供的有关产品性能指标或技术服务能力或施工质量明显低于报价响应时承诺的;
4.1.2、中标、确定为合同供方/承包人后,无正当理由拒绝履行合同和有关承诺的,或擅自变更、中止(终止)合同的。
4.2供应商出现下列情形之一的,采购人有权暂停其网上询价资格:
4.2.1、一年内供应商在采购项目中累计履约评价为不合格2次的;
4.2.2、供应商提供虚假材料或与其它供应商恶意串通谋取成交的;
4.2.3、发生其他违规或违约情况,造成严重损害的;
4.2.4、其它经采购人认定的。
附件6
供应商信用指标及评价标准
| 项目 | 子项 | 评价标准 |
| 良好行为 | 供应商按约定履行合同受到奖励的 | 每发生1次,自认定之日起一年内信用系数加2%, |
| 不良行为 | 供应商提供虚假材料或与其它供应商恶意串通谋取中标、成交的; | 严重不良行为,每发生1次,自认定之日起一年内信用系数扣5% |
| 中标、确定为合同供方/承包人后,无正当理由拒绝履行合同和有关承诺的,或擅自变更、中止(终止)合同的; | ||
| 实际提供的有关产品性能指标和技术服务能力、施工质量明显低于采购响应文件或询价时的承诺的; | ||
| 中标、成交后,将合同转包给其他供应商的; | ||
| 中标、成交后,将合同擅自分包给其他供应商的; | 一般不良行为,每发生1次,自认定之日起一年内信用系数扣2% | |
| 开标后擅自撤回采购相应文件,影响采购活动继续进行的; | 轻微不良行为,每发生1次,自认定之日起一年内信用系数扣1.25% | |
| 供应商因未按约定履行合同受到违约处罚的。 |
备注:
1. 供应商信用系数每个评价年度周期的初评按0计算。
2. 经采购人批准认定的同一供应商良好行为或不良行为,在评价年度周期内信用系数可累加计算。
供应商在一个评价年度周期内未发生任何信用系数扣罚的,在下一个评价年度周期内初评信用系数的基础上奖励加3%,连续两个评价年度周期内未发生任何信用系数扣罚的,在下一个评价年度周期内初评信用系数的基础上奖励加5%,连续三个及以上评价年度周期内未发生任何信用系数扣罚的,在下一个评价年度周期内初评信用系数的基础上奖励加8%。
附件7:














附件:1.20200703-竞选公告-广州大学城供冷站消防系统维护保养项目.doc
2.20200703-竞选文件-广州大学城供冷站消防系统维护保养项目.doc